ADXL326BCPZ
این محصول موجود نیست!
درصورت تمایل برای اطلاع از زمان موجودی میتوانید با مدیر سایت تماس بگیرید.
کد محصول: 9417
- نام کارخانهای: ADXL326BCPZ
- برند: Analog Devices
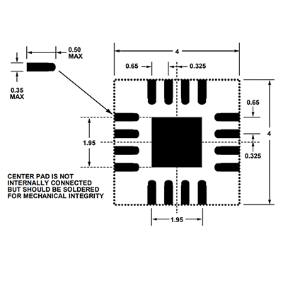
- پکیج: LFCSP-16
- بستهبندی: Tape & Reel
- عنوان گروه: Accelerometers
- دیتاشیت: download
محصولات مشابه
سبد خرید(0 مورد)
سبد خریدتان خالی است
