MAX31865ATP+
این محصول موجود نیست!
درصورت تمایل برای اطلاع از زمان موجودی میتوانید با مدیر سایت تماس بگیرید.
کد محصول: 9105
- نام کارخانهای: MAX31865ATP+
- برند: Maxim Integrated
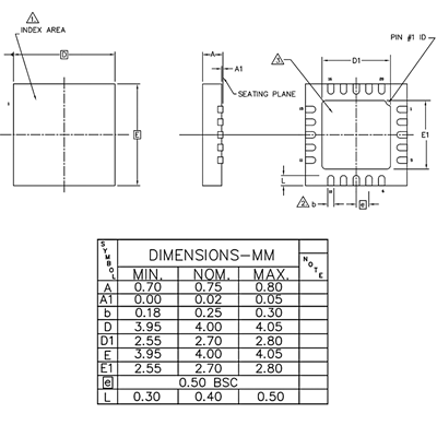
- پکیج: QFN-20
- بستهبندی: Tape & Reel
- عنوان گروه: Sensor Interface
- دیتاشیت: download
محصولات مشابه
سبد خرید(0 مورد)
سبد خریدتان خالی است
