FT313HL-R
این محصول موجود نیست!
درصورت تمایل برای اطلاع از زمان موجودی میتوانید با مدیر سایت تماس بگیرید.
کد محصول: 8907
- نام کارخانهای: FT313HL-R
- برند: FTDI Chip
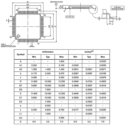
- پکیج: LQFP-64
- بستهبندی: Tray
- عنوان گروه: USB Interface IC
- دیتاشیت: download
محصولات مشابه
سبد خرید(0 مورد)
سبد خریدتان خالی است
