RTL8251CL-GR
این محصول موجود نیست!
درصورت تمایل برای اطلاع از زمان موجودی میتوانید با مدیر سایت تماس بگیرید.
کد محصول: 8666
- نام کارخانهای: RTL8251CL-GR
- برند: Realtek Semiconductor
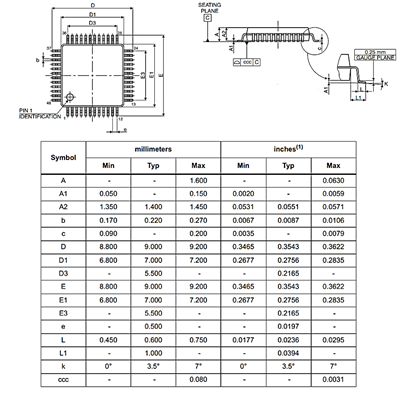
- پکیج: LQFP-48
- بستهبندی: Tray
- عنوان گروه: Ethernet ICs
- دیتاشیت: download
محصولات مشابه
سبد خرید(0 مورد)
سبد خریدتان خالی است
