UT165-L48
این محصول موجود نیست!
درصورت تمایل برای اطلاع از زمان موجودی میتوانید با مدیر سایت تماس بگیرید.
کد محصول: 7524
- نام کارخانهای: UT165-L48
- برند: Afa Technologies Inc
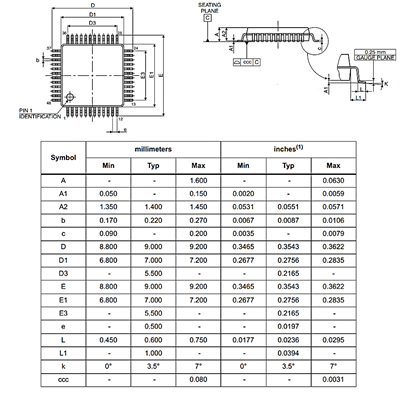
- پکیج: LQFP-48
- بستهبندی: Tray
- عنوان گروه: USB Interface IC
- دیتاشیت: download
محصولات مشابه
سبد خرید(0 مورد)
سبد خریدتان خالی است
