TOP243YN
این محصول موجود نیست!
درصورت تمایل برای اطلاع از زمان موجودی میتوانید با مدیر سایت تماس بگیرید.
کد محصول: 7511
- نام کارخانهای: TOP243YN
- برند: Power Integrations
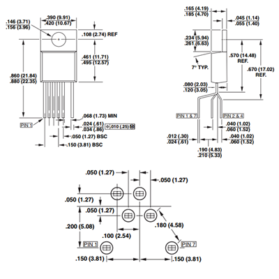
- پکیج: Multiwatt-7
- بستهبندی: Tube
- حداقل: 3عدد
- عنوان گروه: AC/DC Converters
- دیتاشیت: download
محصولات مشابه
سبد خرید(0 مورد)
سبد خریدتان خالی است
