SS-10-15SPE
این محصول موجود نیست!
درصورت تمایل برای اطلاع از زمان موجودی میتوانید با مدیر سایت تماس بگیرید.
کد محصول: 7384
- نام کارخانهای: SS-10-15SPE
- برند: Nidec Copal Electronics
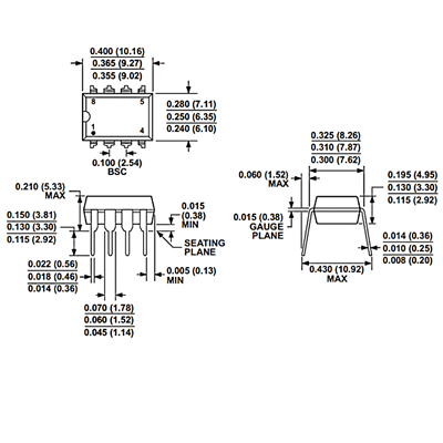
- پکیج: DIP-8
- بستهبندی: Tube-40 عدد
- عنوان گروه: DIP Switches / SIP Switches
- دیتاشیت: download
محصولات مشابه
سبد خرید(0 مورد)
سبد خریدتان خالی است
