RTL8363SB
این محصول موجود نیست!
درصورت تمایل برای اطلاع از زمان موجودی میتوانید با مدیر سایت تماس بگیرید.
کد محصول: 7136
- نام کارخانهای: RTL8363SB
- برند: Realtek Semiconductor
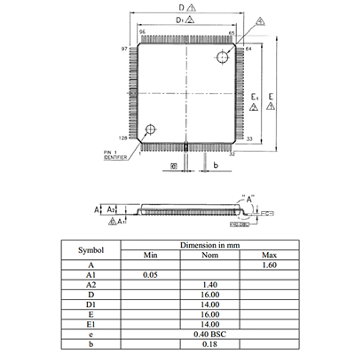
- پکیج: LQFP-128
- بستهبندی: Tray
- عنوان گروه: Ethernet ICs
- دیتاشیت: download
محصولات مشابه
سبد خرید(0 مورد)
سبد خریدتان خالی است
