BTA41-800BRG
این محصول موجود نیست!
درصورت تمایل برای اطلاع از زمان موجودی میتوانید با مدیر سایت تماس بگیرید.
کد محصول: 7110
- نام کارخانهای: BTA41-800BRG
- برند: STMicroelectronics
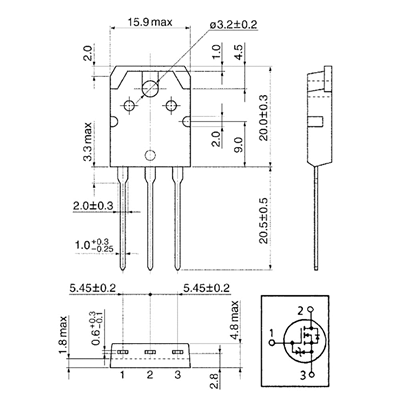
- پکیج: TO-247AD (TO-3P)
- بستهبندی: Tube-30 عدد
- عنوان گروه: Triacs
- دیتاشیت: download
محصولات مشابه
سبد خرید(0 مورد)
سبد خریدتان خالی است
