DS1669-50+
این محصول موجود نیست!
درصورت تمایل برای اطلاع از زمان موجودی میتوانید با مدیر سایت تماس بگیرید.
کد محصول: 7073
- نام کارخانهای: DS1669-50+
- برند: Maxim Integrated
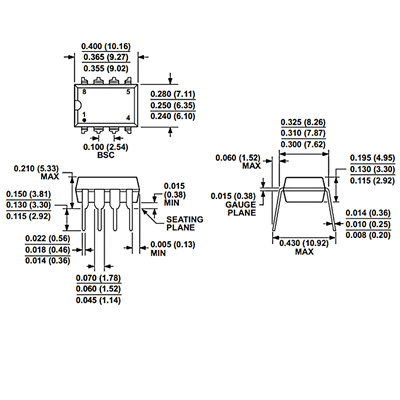
- پکیج: DIP-8
- بستهبندی: Tube-50 عدد
- عنوان گروه: Digital Potentiometer ICs
- دیتاشیت: download
محصولات مشابه
سبد خرید(0 مورد)
سبد خریدتان خالی است
