PD64012G
این محصول موجود نیست!
درصورت تمایل برای اطلاع از زمان موجودی میتوانید با مدیر سایت تماس بگیرید.
کد محصول: 7066
- نام کارخانهای: PD64012G
- برند: Microsemi Corporation
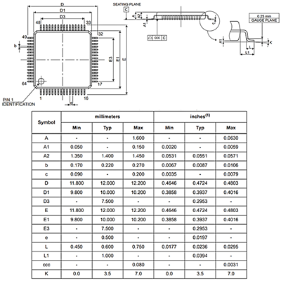
- پکیج: LQFP-64
- بستهبندی: Tray
- عنوان گروه: Power Switch ICs-POE / LAN
- دیتاشیت: download
محصولات مشابه
سبد خرید(0 مورد)
سبد خریدتان خالی است
