QT1081-ISG
این محصول موجود نیست!
درصورت تمایل برای اطلاع از زمان موجودی میتوانید با مدیر سایت تماس بگیرید.
کد محصول: 6872
- نام کارخانهای: QT1081-ISG
- برند: Microchip Technology
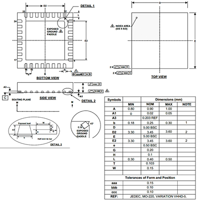
- پکیج: QFN-32
- بستهبندی: Tape & Reel
- عنوان گروه: Capacitive Touch Sensors
- دیتاشیت: download
محصولات مشابه
سبد خرید(0 مورد)
سبد خریدتان خالی است
