WSH315-XPAN1
این محصول موجود نیست!
درصورت تمایل برای اطلاع از زمان موجودی میتوانید با مدیر سایت تماس بگیرید.
کد محصول: 6801
- نام کارخانهای: WSH315-XPAN1
- برند: Winson Semiconductor
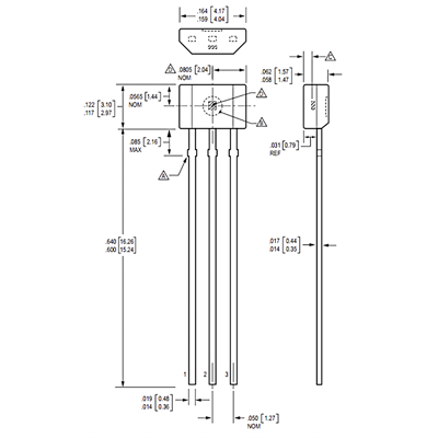
- پکیج: SSO-3
- بستهبندی: Tape & Reel
- عنوان گروه: Board Mount Hall Effect/Magnetic Sensors
- دیتاشیت: download
محصولات مشابه
سبد خرید(0 مورد)
سبد خریدتان خالی است
