ICM-20602
این محصول موجود نیست!
درصورت تمایل برای اطلاع از زمان موجودی میتوانید با مدیر سایت تماس بگیرید.
کد محصول: 5691
- نام کارخانهای: ICM-20602
- برند: InvenSense Inc
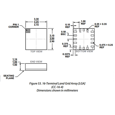
- پکیج: LGA-16
- بستهبندی: Tape & Reel
- حداقل: 2عدد
- عنوان گروه: IMUs-Inertial Measurement Units
- دیتاشیت: download
محصولات مشابه
سبد خرید(0 مورد)
سبد خریدتان خالی است
