MAX16054AZT+T
این محصول موجود نیست!
درصورت تمایل برای اطلاع از زمان موجودی میتوانید با مدیر سایت تماس بگیرید.
کد محصول: 53910
- نام کارخانهای: MAX16054AZT+T
- برند: Maxim Integrated
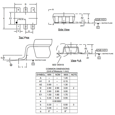
- پکیج: SOT-23-6 (SC-74)
- نوع قطعه: بازسازی شده
- حداقل: 3عدد
- عنوان گروه: Supervisory Circuits
- دیتاشیت: download
محصولات مشابه
سبد خرید(0 مورد)
سبد خریدتان خالی است
