R5F104GJGFB#V0
این محصول موجود نیست!
درصورت تمایل برای اطلاع از زمان موجودی میتوانید با مدیر سایت تماس بگیرید.
کد محصول: 53796
- نام کارخانهای: R5F104GJGFB#V0
- برند: Renesas Technology
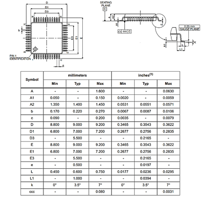
- پکیج: LQFP-48
- عنوان گروه: 16-bit Microcontrollers-MCU
- دیتاشیت: download
محصولات مشابه
سبد خرید(0 مورد)
سبد خریدتان خالی است
