BS811C-1
این محصول موجود نیست!
درصورت تمایل برای اطلاع از زمان موجودی میتوانید با مدیر سایت تماس بگیرید.
کد محصول: 53389
- نام کارخانهای: BS811C-1
- برند: Holtek Semiconductor
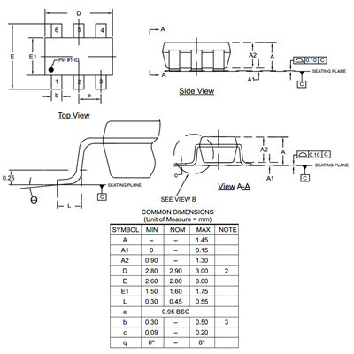
- پکیج: SOT-23-6 (SC-74)
- حداقل: 15عدد
- عنوان گروه: Capacitive Touch Sensors
- دیتاشیت: download
محصولات مشابه
سبد خرید(0 مورد)
سبد خریدتان خالی است
