IQS228B00000000TSR
این محصول موجود نیست!
درصورت تمایل برای اطلاع از زمان موجودی میتوانید با مدیر سایت تماس بگیرید.
کد محصول: 53343
- نام کارخانهای: IQS228B00000000TSR
- برند: Azoteq Ltd
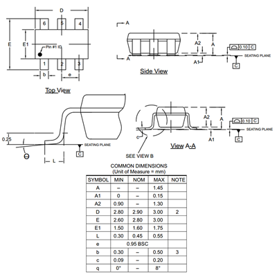
- پکیج: SOT-23-6 (SC-74)
- حداقل: 2عدد
- عنوان گروه: Capacitive Touch Sensors
- دیتاشیت: download
محصولات مشابه
سبد خرید(0 مورد)
سبد خریدتان خالی است
