MP4026GJ-Z
این محصول موجود نیست!
درصورت تمایل برای اطلاع از زمان موجودی میتوانید با مدیر سایت تماس بگیرید.
کد محصول: 5240
- نام کارخانهای: MP4026GJ-Z
- برند: Monolithic Power Systems
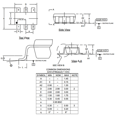
- پکیج: SOT-23-6 (SC-74)
- بستهبندی: Tape & Reel
- عنوان گروه: LED Lighting Drivers
- دیتاشیت: download
محصولات مشابه
سبد خرید(0 مورد)
سبد خریدتان خالی است
