MAX21000+T
این محصول موجود نیست!
درصورت تمایل برای اطلاع از زمان موجودی میتوانید با مدیر سایت تماس بگیرید.
کد محصول: 51053
- نام کارخانهای: MAX21000+T
- برند: Maxim Integrated
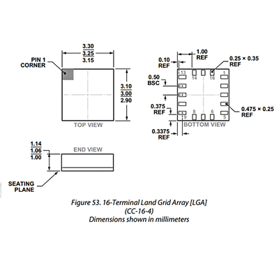
- پکیج: LGA-16
- نوع قطعه: بازسازی شده
- عنوان گروه: Gyroscopes
- دیتاشیت: download
محصولات مشابه
سبد خرید(0 مورد)
سبد خریدتان خالی است
