IP2721D
این محصول موجود نیست!
درصورت تمایل برای اطلاع از زمان موجودی میتوانید با مدیر سایت تماس بگیرید.
کد محصول: 50773
- نام کارخانهای: IP2721D
- برند: Shenzhen Injoinic Technology Co.
- کشور سازنده: چین
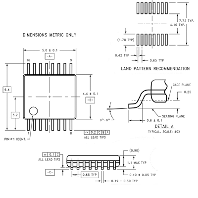
- پکیج: TSSOP-16
- حداقل: 2عدد
- عنوان گروه: USB Interface IC
- دیتاشیت: download
محصولات مشابه
سبد خرید(0 مورد)
سبد خریدتان خالی است
