IAM-20380
این محصول موجود نیست!
درصورت تمایل برای اطلاع از زمان موجودی میتوانید با مدیر سایت تماس بگیرید.
کد محصول: 50064
- نام کارخانهای: IAM-20380
- برند: TDK Corporation (EPCOS)
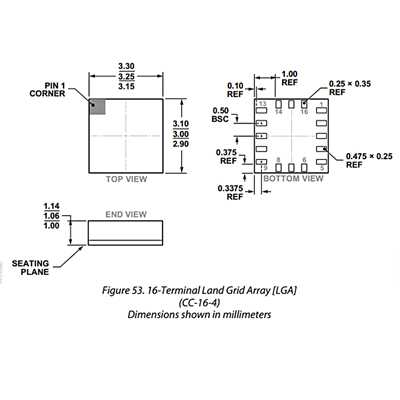
- پکیج: LGA-16
- عنوان گروه: Gyroscopes
- دیتاشیت: download
محصولات مشابه
سبد خرید(0 مورد)
سبد خریدتان خالی است
