MIP417MY
این محصول موجود نیست!
درصورت تمایل برای اطلاع از زمان موجودی میتوانید با مدیر سایت تماس بگیرید.
کد محصول: 49788
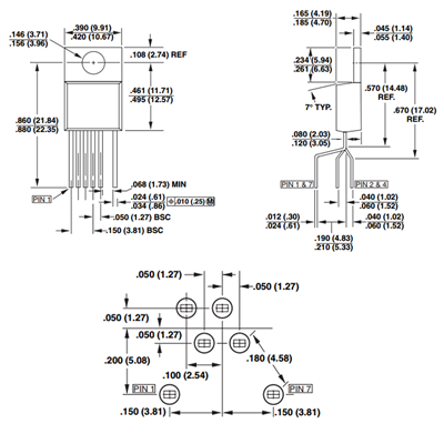
- نام کارخانهای: MIP417MY
- برند: Panasonic Corporation
- پکیج: Multiwatt-7
- حداقل: 2عدد
- عنوان گروه: AC/DC Converters
- دیتاشیت: download
محصولات مشابه
سبد خرید(0 مورد)
سبد خریدتان خالی است
