ST17H66B2
این محصول موجود نیست!
درصورت تمایل برای اطلاع از زمان موجودی میتوانید با مدیر سایت تماس بگیرید.
کد محصول: 48832
- نام کارخانهای: ST17H66B2
- برند: LENZE
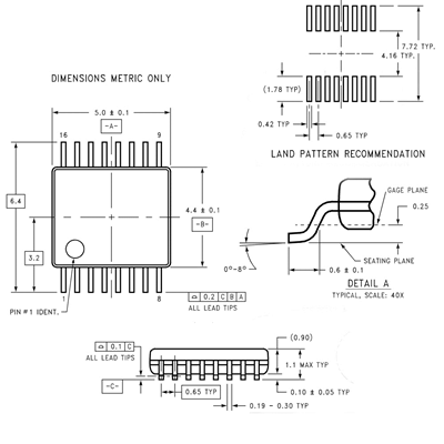
- پکیج: TSSOP-16
- حداقل: 4عدد
- عنوان گروه: RF System on a Chip-SoC
- دیتاشیت: download
محصولات مشابه
سبد خرید(0 مورد)
سبد خریدتان خالی است
