DP83848IVV
این محصول موجود نیست!
درصورت تمایل برای اطلاع از زمان موجودی میتوانید با مدیر سایت تماس بگیرید.
کد محصول: 48368
- نام کارخانهای: DP83848IVV
- برند: National Semiconductor
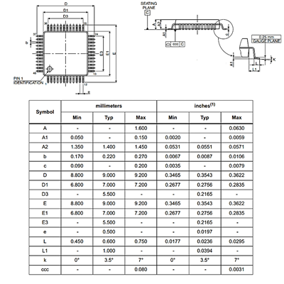
- پکیج: LQFP-48
- نوع قطعه: بازسازی شده
- حداقل: 200عدد
- عنوان گروه: Ethernet ICs
- دیتاشیت: download
محصولات مشابه
سبد خرید(0 مورد)
سبد خریدتان خالی است
