BP2329AJ
این محصول موجود نیست!
درصورت تمایل برای اطلاع از زمان موجودی میتوانید با مدیر سایت تماس بگیرید.
کد محصول: 48105
- نام کارخانهای: BP2329AJ
- برند: BPS Confidential
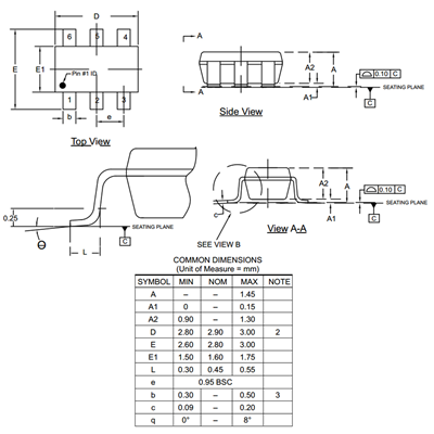
- پکیج: SOT-23-6 (SC-74)
- حداقل: 35عدد
- عنوان گروه: LED Lighting Drivers
- دیتاشیت: download
محصولات مشابه
سبد خرید(0 مورد)
سبد خریدتان خالی است
