MAX6070AAUT50/V+T
این محصول موجود نیست!
درصورت تمایل برای اطلاع از زمان موجودی میتوانید با مدیر سایت تماس بگیرید.
کد محصول: 46714
- نام کارخانهای: MAX6070AAUT50/V+T
- برند: Analog Devices
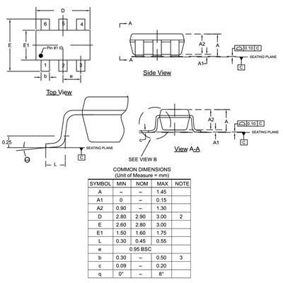
- پکیج: SOT-23-6 (SC-74)
- عنوان گروه: Voltage References
- دیتاشیت: download
محصولات مشابه
سبد خرید(0 مورد)
سبد خریدتان خالی است
