SAK-XC2238N-40F80LR AB
این محصول موجود نیست!
درصورت تمایل برای اطلاع از زمان موجودی میتوانید با مدیر سایت تماس بگیرید.
کد محصول: 46449
- نام کارخانهای: SAK-XC2238N-40F80LR AB
- برند: Infineon Technologies
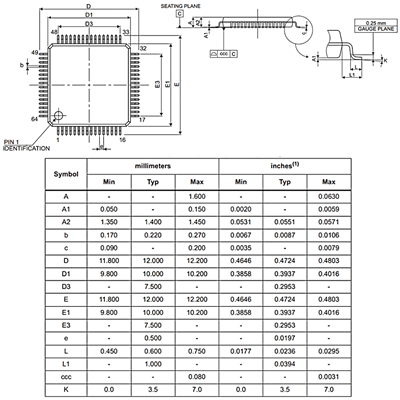
- پکیج: LQFP-64
- عنوان گروه: 16-bit Microcontrollers-MCU
- دیتاشیت: download
محصولات مشابه
سبد خرید(0 مورد)
سبد خریدتان خالی است
