ADN8830ACPZ
این محصول موجود نیست!
درصورت تمایل برای اطلاع از زمان موجودی میتوانید با مدیر سایت تماس بگیرید.
کد محصول: 45853
- نام کارخانهای: ADN8830ACPZ
- برند: Analog Devices
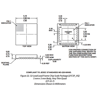
- پکیج: LFCSP-32
- عنوان گروه: Laser Drivers
- دیتاشیت: download
محصولات مشابه
سبد خرید(0 مورد)
سبد خریدتان خالی است
