TTP233H-HA6
این محصول موجود نیست!
درصورت تمایل برای اطلاع از زمان موجودی میتوانید با مدیر سایت تماس بگیرید.
کد محصول: 44726
- نام کارخانهای: TTP233H-HA6
- برند: Tontek Design Technology
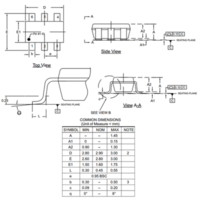
- پکیج: SOT-23-6 (SC-74)
- بستهبندی: Tape & Reel-3,000 عدد
- حداقل: 1000عدد
- عنوان گروه: Capacitive Touch Sensors
- دیتاشیت: download
This model is a new version TTP223-BA6 is
محصولات مشابه
سبد خرید(0 مورد)
سبد خریدتان خالی است
