TPD4S009DBVR
این محصول موجود نیست!
درصورت تمایل برای اطلاع از زمان موجودی میتوانید با مدیر سایت تماس بگیرید.
کد محصول: 43776
- نام کارخانهای: TPD4S009DBVR
- برند: Texas Instruments
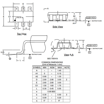
- پکیج: SOT-23-6 (SC-74)
- حداقل: 25عدد
- عنوان گروه: ESD Suppressors / TVS Diodes
- دیتاشیت: download
محصولات مشابه
سبد خرید(0 مورد)
سبد خریدتان خالی است
