OC5021B
این محصول موجود نیست!
درصورت تمایل برای اطلاع از زمان موجودی میتوانید با مدیر سایت تماس بگیرید.
کد محصول: 43405
- نام کارخانهای: OC5021B
- برند: Shenzhen Ou Chuangxin Semiconductor
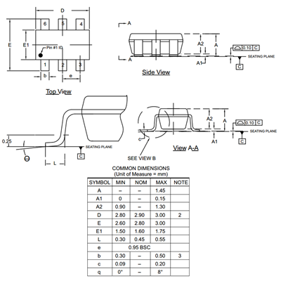
- پکیج: SOT-23-6 (SC-74)
- نوع قطعه: کپی
- عنوان گروه: LED Lighting Drivers
- دیتاشیت: download
محصولات مشابه
سبد خرید(0 مورد)
سبد خریدتان خالی است
