BTS432F2
این محصول موجود نیست!
درصورت تمایل برای اطلاع از زمان موجودی میتوانید با مدیر سایت تماس بگیرید.
کد محصول: 43297
- نام کارخانهای: BTS432F2
- برند: Infineon Technologies
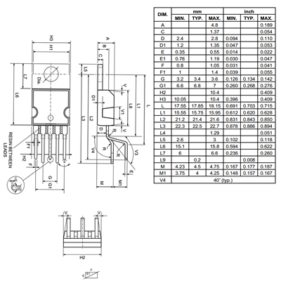
- پکیج: Multiwatt-5
- نوع قطعه: بازسازی شده
- عنوان گروه: Power Switch ICs-Power Distribution
- دیتاشیت: download
محصولات مشابه
سبد خرید(0 مورد)
سبد خریدتان خالی است
