MBI6663GSD
این محصول موجود نیست!
درصورت تمایل برای اطلاع از زمان موجودی میتوانید با مدیر سایت تماس بگیرید.
کد محصول: 43270
- نام کارخانهای: MBI6663GSD
- برند: Macroblock, Inc
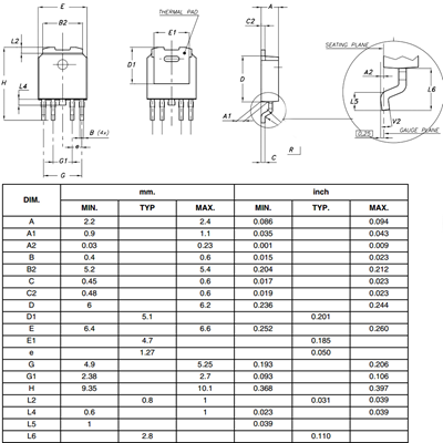
- پکیج: TO-252-5 (PPAK)
- عنوان گروه: LED Lighting Drivers
- دیتاشیت: download
محصولات مشابه
سبد خرید(0 مورد)
سبد خریدتان خالی است
