AT42QT1111-AU
این محصول موجود نیست!
درصورت تمایل برای اطلاع از زمان موجودی میتوانید با مدیر سایت تماس بگیرید.
کد محصول: 4299
- نام کارخانهای: AT42QT1111-AU
- برند: Microchip Technology
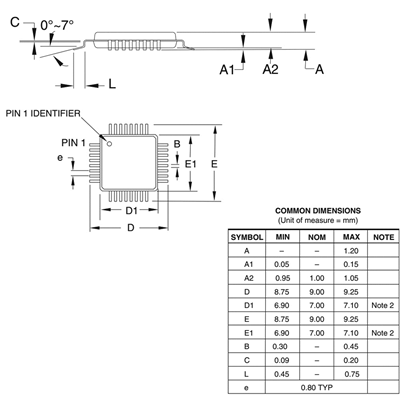
- پکیج: TQFP-32
- بستهبندی: Tray
- عنوان گروه: Capacitive Touch Sensors
- دیتاشیت: download
محصولات مشابه
سبد خرید(0 مورد)
سبد خریدتان خالی است
