AD1833AST
این محصول موجود نیست!
درصورت تمایل برای اطلاع از زمان موجودی میتوانید با مدیر سایت تماس بگیرید.
کد محصول: 42233
- نام کارخانهای: AD1833AST
- برند: Analog Devices
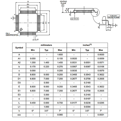
- پکیج: LQFP-48
- عنوان گروه: Audio A/D Converter ICs
- دیتاشیت: download
محصولات مشابه
سبد خرید(0 مورد)
سبد خریدتان خالی است
