AD5235BRUZ25
این محصول موجود نیست!
درصورت تمایل برای اطلاع از زمان موجودی میتوانید با مدیر سایت تماس بگیرید.
کد محصول: 41473
- نام کارخانهای: AD5235BRUZ25
- برند: Analog Devices
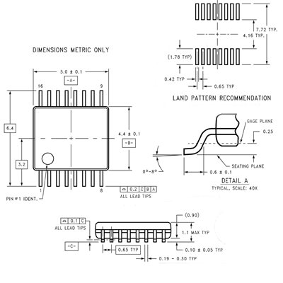
- پکیج: TSSOP-16
- بستهبندی: Tape & Reel-2,500 عدد
- عنوان گروه: Digital Potentiometer ICs
- دیتاشیت: download
محصولات مشابه
سبد خرید(0 مورد)
سبد خریدتان خالی است
