IST8310
این محصول موجود نیست!
درصورت تمایل برای اطلاع از زمان موجودی میتوانید با مدیر سایت تماس بگیرید.
کد محصول: 40091
- نام کارخانهای: IST8310
- برند: iSentek Technology
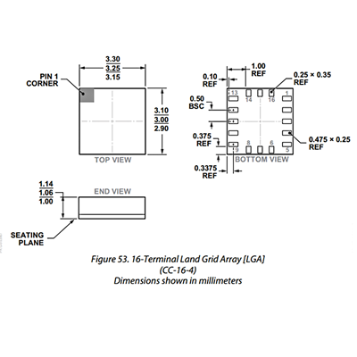
- پکیج: LGA-16
- بستهبندی: Tape & Reel
- عنوان گروه: Board Mount Hall Effect/Magnetic Sensors
- دیتاشیت: download
محصولات مشابه
سبد خرید(0 مورد)
سبد خریدتان خالی است
