MAX3421EEHJ+
این محصول موجود نیست!
درصورت تمایل برای اطلاع از زمان موجودی میتوانید با مدیر سایت تماس بگیرید.
کد محصول: 39939
- نام کارخانهای: MAX3421EEHJ+
- برند: Maxim Integrated
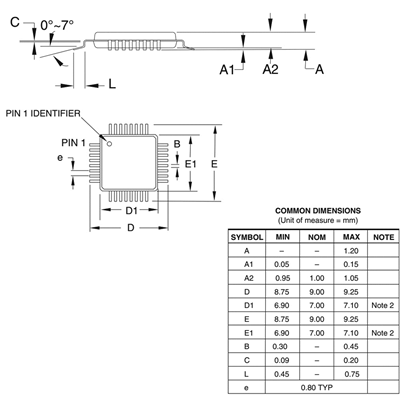
- پکیج: TQFP-32
- بستهبندی: Tray
- عنوان گروه: USB Interface IC
- دیتاشیت: download
محصولات مشابه
سبد خرید(0 مورد)
سبد خریدتان خالی است
