VPC3+S
این محصول موجود نیست!
درصورت تمایل برای اطلاع از زمان موجودی میتوانید با مدیر سایت تماس بگیرید.
کد محصول: 39588
- نام کارخانهای: VPC3+S
- برند: Profichip GmbH
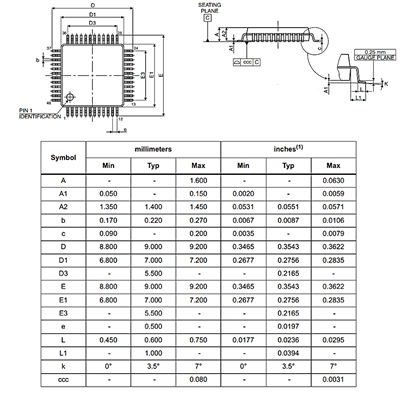
- پکیج: LQFP-48
- بستهبندی: Tray
- عنوان گروه: RS-485 Interface IC
- دیتاشیت: download
محصولات مشابه
سبد خرید(0 مورد)
سبد خریدتان خالی است
