DLPA100PT
این محصول موجود نیست!
درصورت تمایل برای اطلاع از زمان موجودی میتوانید با مدیر سایت تماس بگیرید.
کد محصول: 39248
- نام کارخانهای: DLPA100PT
- برند: Texas Instruments
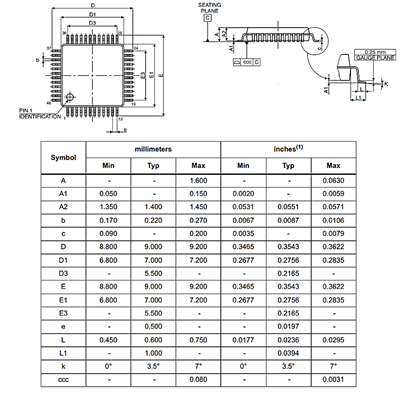
- پکیج: LQFP-48
- بستهبندی: Tray
- عنوان گروه: Power Management Specialized-PMIC
- دیتاشیت: download
محصولات مشابه
سبد خرید(0 مورد)
سبد خریدتان خالی است
