TEA1716T/2
این محصول موجود نیست!
درصورت تمایل برای اطلاع از زمان موجودی میتوانید با مدیر سایت تماس بگیرید.
کد محصول: 38854
- نام کارخانهای: TEA1716T/2
- برند: NXP Semiconductors
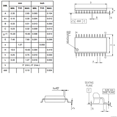
- پکیج: SO-24
- بستهبندی: Tape & Reel
- عنوان گروه: Power Management Specialized-PMIC
- دیتاشیت: download
محصولات مشابه
سبد خرید(0 مورد)
سبد خریدتان خالی است
