TSL1401
این محصول موجود نیست!
درصورت تمایل برای اطلاع از زمان موجودی میتوانید با مدیر سایت تماس بگیرید.
کد محصول: 38673
- نام کارخانهای: TSL1401
- برند: Texas Instruments
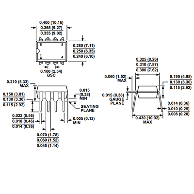
- پکیج: DIP-8
- بستهبندی: Tube-50 عدد
- عنوان گروه: Light To Frequency & Light To Voltage
- دیتاشیت: download
محصولات مشابه
سبد خرید(0 مورد)
سبد خریدتان خالی است
