MLX90614ESF-BAA-000-TU
این محصول موجود نیست!
درصورت تمایل برای اطلاع از زمان موجودی میتوانید با مدیر سایت تماس بگیرید.
کد محصول: 37386
- نام کارخانهای: MLX90614ESF-BAA-000-TU
- برند: Melexis Technologies
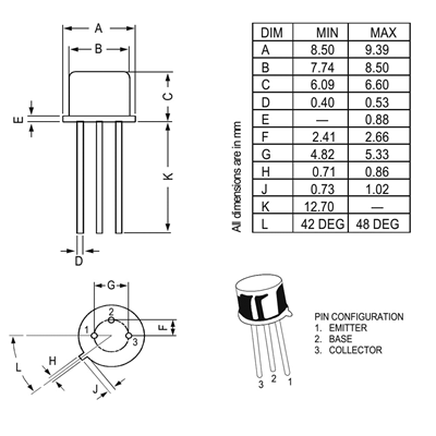
- پکیج: TO-39
- بستهبندی: Bulk
- عنوان گروه: Board Mount Temperature Sensors
- دیتاشیت: download
محصولات مشابه
سبد خرید(0 مورد)
سبد خریدتان خالی است
