SN75C1168PWR
این محصول موجود نیست!
درصورت تمایل برای اطلاع از زمان موجودی میتوانید با مدیر سایت تماس بگیرید.
کد محصول: 36820
- نام کارخانهای: SN75C1168PWR
- برند: Texas Instruments
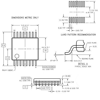
- پکیج: TSSOP-16
- بستهبندی: Tape & Reel
- عنوان گروه: RS-422 Interface IC
- دیتاشیت: download
محصولات مشابه
سبد خرید(0 مورد)
سبد خریدتان خالی است
