BLUE NRG-132
این محصول موجود نیست!
درصورت تمایل برای اطلاع از زمان موجودی میتوانید با مدیر سایت تماس بگیرید.
کد محصول: 36735
- نام کارخانهای: BLUE NRG-132
- برند: STMicroelectronics
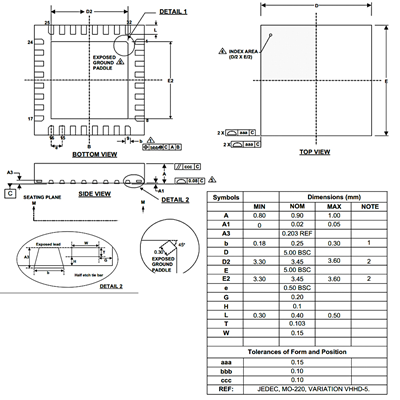
- پکیج: QFN-32
- بستهبندی: Tape & Reel
- عنوان گروه: RF System on a Chip-SoC
- دیتاشیت: download
محصولات مشابه
سبد خرید(0 مورد)
سبد خریدتان خالی است
