NLSF595DTR2G
این محصول موجود نیست!
درصورت تمایل برای اطلاع از زمان موجودی میتوانید با مدیر سایت تماس بگیرید.
کد محصول: 35802
- نام کارخانهای: NLSF595DTR2G
- برند: ON Semiconductor
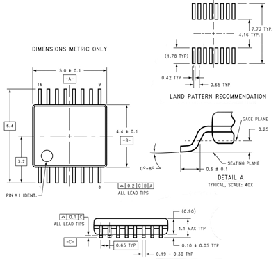
- پکیج: TSSOP-16
- بستهبندی: Tape & Reel
- عنوان گروه: LED Lighting Drivers
- دیتاشیت: download
محصولات مشابه
سبد خرید(0 مورد)
سبد خریدتان خالی است
