PCA9532D
این محصول موجود نیست!
درصورت تمایل برای اطلاع از زمان موجودی میتوانید با مدیر سایت تماس بگیرید.
کد محصول: 34402
- نام کارخانهای: PCA9532D
- برند: Philips Semiconductor
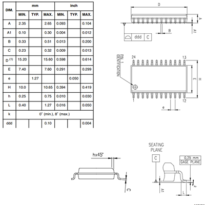
- پکیج: SO-24
- بستهبندی: Tape & Reel
- عنوان گروه: LED Lighting Drivers
- دیتاشیت: download
محصولات مشابه
سبد خرید(0 مورد)
سبد خریدتان خالی است
