AU7860A
این محصول موجود نیست!
درصورت تمایل برای اطلاع از زمان موجودی میتوانید با مدیر سایت تماس بگیرید.
کد محصول: 31727
- نام کارخانهای: AU7860A
- برند: MVSILICON
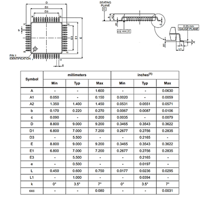
- پکیج: LQFP-48
- بستهبندی: Tray
- حداقل: 2عدد
- عنوان گروه: USB Interface IC
- دیتاشیت: download
محصولات مشابه
سبد خرید(0 مورد)
سبد خریدتان خالی است
