PS2401-2
این محصول موجود نیست!
درصورت تمایل برای اطلاع از زمان موجودی میتوانید با مدیر سایت تماس بگیرید.
کد محصول: 28965
- نام کارخانهای: PS2401-2
- برند: NEC Electronics
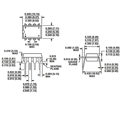
- پکیج: DIP-8
- بستهبندی: Tube-50 عدد
- عنوان گروه: Transistor Output Optocouplers
- دیتاشیت: download
محصولات مشابه
سبد خرید(0 مورد)
سبد خریدتان خالی است
